RAK12002 expected consumption

after successfully connection to RTC RAK12002 module (to RAK4631 + RAK19007), I see two consumption values:

without RTC connected just deep sleep: 5.6uA
with RTC connected + with trickle charge : 45uA in deep sleep of the (full) board
with RTC connected + without trickle charge: 15uA in deep sleep of the (full) board

per datasheet the RTC “should” use barely 40nA (which is really low), but could this 40nA value only be able to get with a battery (as CR2032) instead of using a super capacitor like RAK12002 which needs to be (or keep) charged to work and keep time/timer?

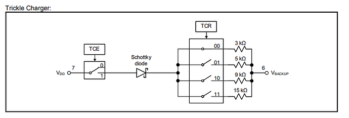
Based on the RTC App Note, the 40-45nA consumption is in battery-backed mode (like a CR2032). The super capacitor on the RAK12002 module requires trickle charging to maintain its charge. There is no defined trickle current but it can be controlled by the series resistor on it configurable via I2C registers.

Just to left here some knowledge:

RAK4631 + RAK19007 in deep sleep = 5,6uA
RAK4631 + RAK19007 + RAK12002 (RTC without trickle charge enabled) in deep sleep = 15.2uA
RAK4631 + RAK19007 + RAK12002 (RTC with trickle charge = 15K) in deep sleep = 31.3uA
RAK4631 + RAK19007 + RAK12002 (RTC with trickle charge = 9K) in deep sleep = 39.1uA
RAK4631 + RAK19007 + RAK12002 (RTC with trickle charge = 5K) in deep sleep = 46.8uA
RAK4631 + RAK19007 + RAK12002 (RTC with trickle charge = 15K) in deep sleep = 58.8uA

Also, RTC as in the RAK12002 uses a super capacitor, not an external battery so the RTC module will use more current to keep the super capacitor charged. Only RTC with batteries can use as low as 45nA)

1 Like